产品详细信息
- 抽速为 15 m3/h (250 L/min)
- 各种电源频率下,抽速均保持不变
- 通过 RS-232 或 0-10 V 控制信号调节泵的转速,可以选择理想抽速
- 泵参数可通过串行接口监测
- 标准 D-Sub 连接器可提供触点闭合进行远程启停
- 通过选择最佳转速可降低工作区域的噪音和振动水平,几乎不会降极限真空度
- 使用 Agilent A-PLUS 软件
- 发货时不带电源线,需要单独订购
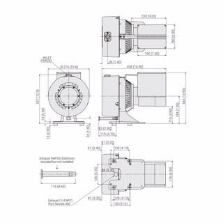
| 噪音水平 |
|
| 宽度 |
|
| 尺寸(宽 x 高 x 长) |
|
| 抽速 (50 Hz) |
|
| 抽速 (60 Hz) |
|
| 排气口连接 |
|
| 操作环境温度 |
|
| 最大进气口压力 |
|
| 极限压力 (50 Hz) — Torr 和 mbar |
|
| 极限压力 (60 Hz) — Torr 和 mbar |
|
| 输入电压 |
|
| 运输重量 |
|
| 进样口连接 |
|
| 重量(只有泵时) |
|
| 长度 |
|
| 高度 |
|
- 应用简报
-
Variable Speed Dry Pumps for Mass Spectrometry
This brochure describes how variable-speed dry scroll vacuum pumps can enhance the operation of a mass spectrometer vacuum system.
- 应用简报
- English
- 2016 年 6 月 30 日
- 657.62 KB
- 产品样本
- 目录
- 数据表
- 软件
- 技术概述
- 合格证
-
Agilent Vacuum Product Declarations of Conformity Reference List
Contains a reference list of Vacuum Products Declarations of Conformity. Each vacuum product is shipped with the specific Declaration of Conformity.
- 合格证
- English
- 2025 年 11 月 26 日
- 142.59 KB
- 快速参考
- 用户手册
视频
Vacuum Technologies Webinar Library
Join us to learn more about Vacuum Technologies and their applications!
基础导论 — 安捷伦锂离子电池行业解决方案
不清楚从哪里开始着手进行锂离子电池测试?想要明确了解如何应对多种测试需求? 阅读安捷伦关于矿物、加工、电池组件和检漏解决方案的入门指南,助力您的实验室取得成功。
- 2023 年 12 月 19 日
真空技术应用和培训
让安捷伦真空专家帮助您找到适合您应用的更好的解决方案,还可以为您提供有关真空和检漏理论培训。我们的应用工程师不仅具备真空系统和设计的专业知识,而且在行业应用和科研方面拥有丰富的经验。他们可以为您提供从理论和设计到材料科学的全方位帮助,并将其运用到您的具体环境中。|我们拥有 60 余年的真空经验,可以帮助您优化应用。我们的工程师除了为您提供故障排除服务,还会为您提供可靠的答案和解决方案,帮助您提高业务效率。|您可以通过在线聊天与我们的专家交流,了解有关我们培训和应用支持服务的更多信息。
涡旋泵高级更换服务
安捷伦高级更换服务能够以更快的周转时间提供替换涡旋泵,成本固定且与标准维修相同。经过工厂认证的技术人员按照最新安捷伦性能指标对涡旋泵进行翻新。然后,我们会对泵进行全面测试和调试,确保您可以开箱即用。|我们备有 IDP 和 TriScroll 泵的库存,您在几天之内即可收到,无需等待数周时间,可大大减少对工作流程的干扰。或者,如果您需要我们寄回原泵以确保序列号可追溯性,您也可以选择维修旧泵。|更多信息,请联系您当地的安捷伦真空设备代表或通过在线聊天与我们联系,或者填写在线表格提交申请。
涡旋泵维护、维修和备件
安捷伦涡旋泵维修计划包括从小型维护保养到全面彻底检修的多种选择。安捷伦的所有维修服务均由经过培训的工厂技术人员使用安捷伦程序和原厂部件进行。|我们的维修服务提供极具竞争力的价格以及开箱即可使用的泵,如果您的业务允许为期两周的周转时间,那么这是您的最佳选择。不过,如果您需要立即更换或者升级至最新技术,请查看我们的高级更换和技术更新计划。|使用在线聊天联系我们,我们的专家将帮助您选择最优方案。
真空产品备件和消耗品
获取原始设备制造商的原厂部件,用于您的安捷伦或瓦里安真空设备。包括适用于检漏仪、扩散泵、涡旋泵、离子泵、旋片泵以及 XGS 真空计控制器的部件。常用组件包括:泵加热器、泵油、维护工具包、密封条、灯丝、恒温控制器、O 型圈以及质谱室。|使用在线聊天联系我们,帮助您找到合适部件。
涡轮分子泵和涡旋泵服务合同
选择安捷伦涡轮分子泵和涡旋泵服务合同,大幅延长正常运行时间,且成本固定,方便您进行财务规划。在合同期内,您可以安心享受您的产品服务,无须担心产生任何额外的维护费用。如果出现问题,完全无须担心,经过培训的工厂技术人员会及时进行维修。|通过在线聊天联系我们,助您找到合适的计划。